逆變器原理是什么?最簡單逆變器電路圖解析
2020/4/8 21:30:20 點擊:
[導讀]逆變器是把直流電能(電池、蓄電瓶)轉變成定頻定壓或調頻調壓交流電(一般為220V,50Hz正弦波)的轉換器。它由逆變橋、控制邏輯和濾波電路組成。
什么是逆變器?
逆變器是把直流電能(電池、蓄電瓶)轉變成定頻定壓或調頻調壓交流電(一般為220V,50Hz正弦波)的轉換器。它由逆變橋、控制邏輯和濾波電路組成。
廣泛適用于空調、家庭影院、電動砂輪、電動工具、縫紉機、DVD、VCD、電腦、電視、洗衣機、抽油煙機、冰箱,錄像機、按摩器、風扇、照明等。

在國外因汽車的普及率較高外出工作或外出旅游即可用逆變器連接蓄電池帶動電器及各種工具工作。通過點煙器輸出的車載逆變是20W 、 40W、 80W、 120W到150W 功率規格。
再大一些功率逆變電源要通過連接線接到電瓶上。把家用電器連接到電源轉換器的輸出端就能在汽車內使用各種電器。可使用的電器有:手機、筆記本電腦、數碼攝像機、照像機、照明燈、電動剃須刀、CD機、游戲機、掌上電腦、電動工具、車載冰箱及各種旅游、野營、醫療急救電器等。
工作原理
逆變器是一種DC to AC的變壓器,它其實與轉化器是一種電壓逆變的過程。
逆變器(圖1) 轉換器是將電網的交流電壓轉變為穩定的12V直流輸出,而逆變器是將Adapter輸出的12V直流電壓轉變為高頻的高壓交流電;兩個部分同樣都采用了用得比較多的脈寬調制(PWM)技術。其核心部分都是一個PWM集成控制器,Adapter用的是UC3842,逆變器則采用TL5001芯片。TL5001的工作電壓范圍3.6~40V,其內部設一個誤差放大器,一個調節器、振蕩器、有死區控制的PWM發生器、低壓保護回路及短路保護回路等。
輸入接口部分:輸入部分有3個信號,12V直流輸入VIN、工作使能電壓ENB及Panel電流控制信號DIM。VIN由Adapter提供,ENB電壓由主板上的MCU提供,其值為0或3V,當ENB=0時,逆變器不工作,而ENB=3V時,逆變器處于正常工作狀態;而DIM電壓由主板提供,其變化范圍在0~5V之間,將不同的DIM值反饋給PWM控制器反饋端,逆變器向負載提供的電流也將不同,DIM值越小,逆變器輸出的電流就越大。
電壓啟動回路:ENB為高電平時,
逆變器 輸出高壓去點亮Panel的背光燈燈管。
PWM控制器:有以下幾個功能組成:內部參考電壓、誤差放大器、振蕩器和PWM、過壓保護、欠壓保護、短路保護、輸出晶體管。
直流變換:由MOS開關管和儲能電感組成電壓變換電路,輸入的脈沖經過推挽放大器放大后驅動MOS管做開關動作,使得直流電壓對電感進行充放電,這樣電感的另一端就能得到交流電壓。
LC振蕩及輸出回路:保證燈管啟動需要的1600V電壓,并在燈管啟動以后將電壓降至800V。
輸出電壓反饋:當負載工作時,反饋采樣電壓,起到穩定I逆變器電壓輸出的作用。
不論是在偏僻家村,或是野外需求或是停電應急,逆變器都是一個十分不錯的選擇。比擬常見的是機房會用到的UPS電源,在忽然停電時,UPS可將蓄電池里的直流電逆變為交流供計算機運用,從而避免因忽然斷電而招致的數據喪失問題。
本文將引見兩種比擬簡單的逆變器電路圖。并附以簡單的逆變器電路圖闡明,有興味的朋友能夠研討下,自已入手做一個逆變器也的確是一件十分有成就感的事。以一就是一張較常見的逆變器電路圖。

逆變器電路圖
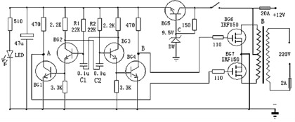
以上是一款較為容易制造的逆變器電路圖,能夠將12V直流電源電壓逆變為220V市電電壓,電路由BG2和BG3組成的多諧振蕩器推進,再經過BG1和BG4驅動,來控制BG6和BG7工作。其中振蕩電路由BG5與DW組的穩壓電源供電,這樣能夠使輸出頻率比擬穩定。在制造時,變壓器可選有常用雙12V輸出的市電變壓器。可依據需求,選擇恰當的12V蓄電池容量。
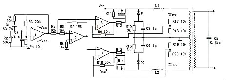
以下是一款高效率的正弦波逆變器電器圖,該電路用12V電池供電。先用一片倍壓模塊倍壓為運放供電。可選取ICL7660或MAX1044。運放1產生50Hz正弦波作為基準信號。運放2作為反相器。運放3和運放4作為遲滯比擬器。其實運放3和開關管1構成的是比例開關電源。運放4和開關管2也同樣。它的開關頻率不穩定。在運放1輸出信號為正相時,運放3和開關管工作。這時運放2輸出的是負相。這時運放4的正輸入端的電位(恒為0)總比負輸入端的電位高,所以運放4輸出恒為1,開關管關閉。在運放1輸出為負相時,則相反。這就完成了兩開關管交替工作。

逆變器電路圖
當基準信號比檢測信號,也即是運放3或4的負輸入端的信號比正輸入端的信號高一微小值時,比擬器輸出0,開關管開,隨之檢測信號疾速進步,當檢測信號比基準信號高一微小值時,比擬器輸出1,開關管關。這里要留意的是,在電路翻轉時比擬器有個正反應過程,這是遲滯比擬器的特性。比方說在基準信號比檢測信號低的前提下,隨著它們的差值不時地靠近,在它們相等的霎時,基準信號馬上比檢測信號高出一定值。這個“一定值”影響開關頻率。它越大頻率越低。這里選它為0.1~0.2V。
C3,C4的作用是為了讓頻率較高的開關續流電流經過,而對頻率較低的50Hz信號產生較大的阻抗。C5由公式:50=算出。L普通為70H,制造時最好測一下。這樣C為0.15μ左右。R4與R3的比值要嚴厲等于0.5,大了波形失真明顯,小了不能起振,但是寧可大一些,不可小。開關管的最大電流為:I==25A。
什么是逆變器?
逆變器是把直流電能(電池、蓄電瓶)轉變成定頻定壓或調頻調壓交流電(一般為220V,50Hz正弦波)的轉換器。它由逆變橋、控制邏輯和濾波電路組成。
廣泛適用于空調、家庭影院、電動砂輪、電動工具、縫紉機、DVD、VCD、電腦、電視、洗衣機、抽油煙機、冰箱,錄像機、按摩器、風扇、照明等。

在國外因汽車的普及率較高外出工作或外出旅游即可用逆變器連接蓄電池帶動電器及各種工具工作。通過點煙器輸出的車載逆變是20W 、 40W、 80W、 120W到150W 功率規格。
再大一些功率逆變電源要通過連接線接到電瓶上。把家用電器連接到電源轉換器的輸出端就能在汽車內使用各種電器。可使用的電器有:手機、筆記本電腦、數碼攝像機、照像機、照明燈、電動剃須刀、CD機、游戲機、掌上電腦、電動工具、車載冰箱及各種旅游、野營、醫療急救電器等。
工作原理
逆變器是一種DC to AC的變壓器,它其實與轉化器是一種電壓逆變的過程。
逆變器(圖1) 轉換器是將電網的交流電壓轉變為穩定的12V直流輸出,而逆變器是將Adapter輸出的12V直流電壓轉變為高頻的高壓交流電;兩個部分同樣都采用了用得比較多的脈寬調制(PWM)技術。其核心部分都是一個PWM集成控制器,Adapter用的是UC3842,逆變器則采用TL5001芯片。TL5001的工作電壓范圍3.6~40V,其內部設一個誤差放大器,一個調節器、振蕩器、有死區控制的PWM發生器、低壓保護回路及短路保護回路等。
輸入接口部分:輸入部分有3個信號,12V直流輸入VIN、工作使能電壓ENB及Panel電流控制信號DIM。VIN由Adapter提供,ENB電壓由主板上的MCU提供,其值為0或3V,當ENB=0時,逆變器不工作,而ENB=3V時,逆變器處于正常工作狀態;而DIM電壓由主板提供,其變化范圍在0~5V之間,將不同的DIM值反饋給PWM控制器反饋端,逆變器向負載提供的電流也將不同,DIM值越小,逆變器輸出的電流就越大。
電壓啟動回路:ENB為高電平時,
逆變器 輸出高壓去點亮Panel的背光燈燈管。
PWM控制器:有以下幾個功能組成:內部參考電壓、誤差放大器、振蕩器和PWM、過壓保護、欠壓保護、短路保護、輸出晶體管。
直流變換:由MOS開關管和儲能電感組成電壓變換電路,輸入的脈沖經過推挽放大器放大后驅動MOS管做開關動作,使得直流電壓對電感進行充放電,這樣電感的另一端就能得到交流電壓。
LC振蕩及輸出回路:保證燈管啟動需要的1600V電壓,并在燈管啟動以后將電壓降至800V。
輸出電壓反饋:當負載工作時,反饋采樣電壓,起到穩定I逆變器電壓輸出的作用。
不論是在偏僻家村,或是野外需求或是停電應急,逆變器都是一個十分不錯的選擇。比擬常見的是機房會用到的UPS電源,在忽然停電時,UPS可將蓄電池里的直流電逆變為交流供計算機運用,從而避免因忽然斷電而招致的數據喪失問題。
本文將引見兩種比擬簡單的逆變器電路圖。并附以簡單的逆變器電路圖闡明,有興味的朋友能夠研討下,自已入手做一個逆變器也的確是一件十分有成就感的事。以一就是一張較常見的逆變器電路圖。

逆變器電路圖
以上是一款較為容易制造的逆變器電路圖,能夠將12V直流電源電壓逆變為220V市電電壓,電路由BG2和BG3組成的多諧振蕩器推進,再經過BG1和BG4驅動,來控制BG6和BG7工作。其中振蕩電路由BG5與DW組的穩壓電源供電,這樣能夠使輸出頻率比擬穩定。在制造時,變壓器可選有常用雙12V輸出的市電變壓器。可依據需求,選擇恰當的12V蓄電池容量。
以下是一款高效率的正弦波逆變器電器圖,該電路用12V電池供電。先用一片倍壓模塊倍壓為運放供電。可選取ICL7660或MAX1044。運放1產生50Hz正弦波作為基準信號。運放2作為反相器。運放3和運放4作為遲滯比擬器。其實運放3和開關管1構成的是比例開關電源。運放4和開關管2也同樣。它的開關頻率不穩定。在運放1輸出信號為正相時,運放3和開關管工作。這時運放2輸出的是負相。這時運放4的正輸入端的電位(恒為0)總比負輸入端的電位高,所以運放4輸出恒為1,開關管關閉。在運放1輸出為負相時,則相反。這就完成了兩開關管交替工作。

逆變器電路圖
當基準信號比檢測信號,也即是運放3或4的負輸入端的信號比正輸入端的信號高一微小值時,比擬器輸出0,開關管開,隨之檢測信號疾速進步,當檢測信號比基準信號高一微小值時,比擬器輸出1,開關管關。這里要留意的是,在電路翻轉時比擬器有個正反應過程,這是遲滯比擬器的特性。比方說在基準信號比檢測信號低的前提下,隨著它們的差值不時地靠近,在它們相等的霎時,基準信號馬上比檢測信號高出一定值。這個“一定值”影響開關頻率。它越大頻率越低。這里選它為0.1~0.2V。
C3,C4的作用是為了讓頻率較高的開關續流電流經過,而對頻率較低的50Hz信號產生較大的阻抗。C5由公式:50=算出。L普通為70H,制造時最好測一下。這樣C為0.15μ左右。R4與R3的比值要嚴厲等于0.5,大了波形失真明顯,小了不能起振,但是寧可大一些,不可小。開關管的最大電流為:I==25A。
現有的逆變器,有方波輸出和正弦波輸出兩種。方波輸出的逆變器效率高,關于采用正弦波電源設計的電器來說,除少數電器不適用外大多數電器都可適用,正弦波輸出的逆變器就沒有這方面的缺陷,卻存在效率低的缺陷。
- 上一篇:SK海力士推出首款PCIe 4.0 SSD,密度、性能世界第 2020/4/8
- 下一篇:專業為您解析GC8838的各種優勢 2020/4/8

