常用電機控制電路圖排行榜
電機控制是指對電機的啟動、運轉、加速、減速及停止進行的控制。電機控制要根據不同電機的類型及電機的使用場合有不同的需求及目的。小編給您介紹5個個常見的電機控制電路,包括定子串電阻降壓啟動、延邊三角形降壓啟動、星三角降壓啟動等。希望可以幫忙到你!
1.最基本的直接啟動控制線路
按下啟動鍵,KM線圈得電,KM常開輔助觸點自鎖,綠燈亮,電機運行;按下停止按鈕,KM線圈失點,輔助觸點復位,紅燈亮,電機停止。
2 直接啟動,延時停止
通過時間繼電器作用,延時使回路斷開。
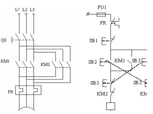
3 控制電機正反轉
使用雙重互鎖,采用復合按鈕和2個接觸器。 將2個接觸器的常閉輔助觸點相互串聯在對方回路中,安全方便,避免了短路的發生~
4 順停、逆停循環
5 電機輪流循環啟動
- 上一篇:解說步進電機的相數與拍數(含電機驅動選型表) 2020/8/25
- 下一篇:如何避免步進電機(馬達)的失步 2020/8/24

