東芝有刷直流電機驅動介紹
2021-2-19 20:39:04??????點擊:
對于不起眼的有刷直流電動機,您必須重視。一方面,它是最古老的直流電動機,眾所周知,已廣泛使用,并且直接從直流電源軌運行,不需要任何“電子”驅動器。另一方面,它并沒有得到太多的尊重。畢竟,它具有那些“討厭的”接觸電刷,這些電刷最終會磨損(匹配的轉子觸頭也會磨損),并且會引起可見的火花以及看不見但相當大的EMI/RFI。在早期,控制它的唯一方法是調整施加的直流電壓,但是,降低該電壓會降低RPM(如預期的那樣)并嚴重影響其扭矩。
相比之下,無刷直流和步進電機現在由于其可控性以及其他特性而受到了大多數關注和設計考慮。盡管如此,數以百萬計的有刷電動機仍在使用。它們不僅價格便宜,而且足以滿足玩具等非關鍵性應用的需求,而且在受限的速度和扭矩要求嚴格的應用中使用時,它們是一種經濟高效且非常可行的解決方案。通過添加復雜的驅動器而不僅僅是原始直流電源,可以對其進行有效控制,從而在許多情況下提供最佳解決方案。
東芝(Toshiba)的TB9053FTG和TB9054FTG等IC可以提供幫助。這些用于有刷直流電動機的脈沖調制(PWM)雙通道驅動器針對汽車應用進行了優化,例如節氣門控制,發動機氣門,可伸縮門后視鏡,座椅定位和門閂。

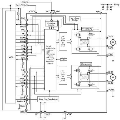
Dual-channel driver ICs developed by Toshiba for brushed dc motors have control and protection/diagnostic features tailored to the needs of automotive applications.
東芝為有刷直流電動機開發的雙通道驅動器IC,具有針對汽車應用需求而定制的控制和保護/診斷功能。
在25°C的結溫TJ和VBAT=8V的結溫下,單片硅驅動器可提供高達6.5 A(典型值)/ 10 A(最大)的RDS(ON)為142mΩ。使用這些驅動器的SPI接口,微控制器系統能夠控制速度以及設置正向,反向,停止和制動模式。速度也可以通過基于PWM的占空比直接控制。這些IC可通過引腳選擇用于H橋或半橋模式。
當這些IC針對汽車應用時,用于監視,保護和診斷的內置功能就顯得尤為關鍵(其中某些功能甚至可能直接導致“檢查引擎”燈亮)。檢測功能包括過流,過熱,VBAT欠壓和VCC欠壓等,以及適當的短路和其他保護。
報告的診斷信息包括電源故障檢測電路,在工作和非工作模式下的開路負載檢測,短路負載檢測等。每個通道還有一個診斷引腳,當與其他引腳一起使用時,發生各種問題時,可以向MCU報告情況的任何細節。
SPI總線上的設備可以并行連接或以菊花鏈配置連接,并且通常會在引腳數數據傳輸速率之間進行權衡。在前一種情況下,通信時鐘(SCLK),數據輸出(SDO)和數據輸入(SDI)并聯連接,而外部MCU(Master)將獨立的片選信號分配給每個驅動器以使能個人訪問(需要更多的MCU I /O端口,但加載速度更快)。在菊花鏈模式下,來自MCU的數據被計時并通過所有連接的驅動器串行傳播,因此所需的MCU I/O引腳少得多,但需要更長的時間將數據加載到目標驅動器IC中。
關鍵字:東芝 電機驅動
相比之下,無刷直流和步進電機現在由于其可控性以及其他特性而受到了大多數關注和設計考慮。盡管如此,數以百萬計的有刷電動機仍在使用。它們不僅價格便宜,而且足以滿足玩具等非關鍵性應用的需求,而且在受限的速度和扭矩要求嚴格的應用中使用時,它們是一種經濟高效且非常可行的解決方案。通過添加復雜的驅動器而不僅僅是原始直流電源,可以對其進行有效控制,從而在許多情況下提供最佳解決方案。
東芝(Toshiba)的TB9053FTG和TB9054FTG等IC可以提供幫助。這些用于有刷直流電動機的脈沖調制(PWM)雙通道驅動器針對汽車應用進行了優化,例如節氣門控制,發動機氣門,可伸縮門后視鏡,座椅定位和門閂。

Dual-channel driver ICs developed by Toshiba for brushed dc motors have control and protection/diagnostic features tailored to the needs of automotive applications.
東芝為有刷直流電動機開發的雙通道驅動器IC,具有針對汽車應用需求而定制的控制和保護/診斷功能。
在25°C的結溫TJ和VBAT=8V的結溫下,單片硅驅動器可提供高達6.5 A(典型值)/ 10 A(最大)的RDS(ON)為142mΩ。使用這些驅動器的SPI接口,微控制器系統能夠控制速度以及設置正向,反向,停止和制動模式。速度也可以通過基于PWM的占空比直接控制。這些IC可通過引腳選擇用于H橋或半橋模式。
當這些IC針對汽車應用時,用于監視,保護和診斷的內置功能就顯得尤為關鍵(其中某些功能甚至可能直接導致“檢查引擎”燈亮)。檢測功能包括過流,過熱,VBAT欠壓和VCC欠壓等,以及適當的短路和其他保護。
報告的診斷信息包括電源故障檢測電路,在工作和非工作模式下的開路負載檢測,短路負載檢測等。每個通道還有一個診斷引腳,當與其他引腳一起使用時,發生各種問題時,可以向MCU報告情況的任何細節。
SPI總線上的設備可以并行連接或以菊花鏈配置連接,并且通常會在引腳數數據傳輸速率之間進行權衡。在前一種情況下,通信時鐘(SCLK),數據輸出(SDO)和數據輸入(SDI)并聯連接,而外部MCU(Master)將獨立的片選信號分配給每個驅動器以使能個人訪問(需要更多的MCU I /O端口,但加載速度更快)。在菊花鏈模式下,來自MCU的數據被計時并通過所有連接的驅動器串行傳播,因此所需的MCU I/O引腳少得多,但需要更長的時間將數據加載到目標驅動器IC中。
關鍵字:東芝 電機驅動
- 上一篇:村田推出新型 MEMS(微機電系統)6DoF 慣性傳感器 2021/2/20
- 下一篇:2021年的半導體產業將會賺多少錢 2021/2/18

