產品介紹
概述
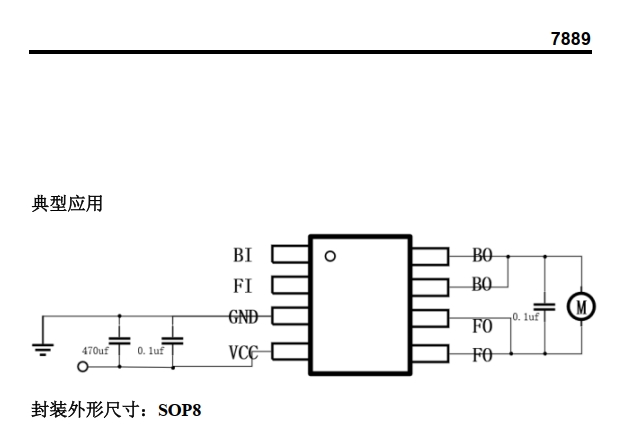
7889 是一款直流雙向電機驅動芯片,適用于玩具、自動閥門、電磁門鎖等電機驅動場合。該芯片有兩個邏輯輸入端子用來控制電機前進、后退及制動。具有良好的抗干擾性,微小的待機電流、低的輸出內阻,同時內部集成二極管可迅速釋放感性負載的反向沖擊電流。
? 待機電流小于 2uA。
? 工作電壓范圍寬 3.0V~15V
? 緊急停止功能
? 過熱保護功能
? 過流保護及短路保護功能
? 封裝外形為: SOP8
? 玩具
? 智能門鎖
? 自動閥門
更多產品






