● 驅動三個半橋(6 個 NMOS)
● 寬電壓 4.7~36V
● 低功耗同步整流
● 霍爾元件輸入
● 內置低壓保護與過溫保護
● 低電流睡眠模式
● FG 轉速輸出
● 死區時間防穿通
● 堵轉鎖定保護
● 過壓保護
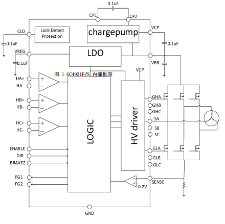
GC4931F/S 是一款三相無刷直流電機預驅動芯片。芯片可以驅動 N 型功率 MOSFET,最高電源到 36V。 芯片狀態切換邏輯受三個相位差為 120° 的霍爾輸入確定。芯片集成固定衰減時間的脈沖調制來控制電流并且抑制勵磁涌流; 堵轉保護時間可調; 過溫保護, 過壓監測, 同步整流等等。其中內置的同步整流器通過在衰減周期內,打開合適的低內阻的開關管以取代反向續流二極管來降低功耗。 當芯片監測到過壓時芯片會關斷同步整流以減小變化電流引起的電源電壓波動。
GC4931F/S 的邏輯輸入腳有使能控制(ENABLE) , 方向控制(DIR) , 剎車控制(BRAKE) ; 邏輯輸出腳有 FG1, FG2 與霍爾信號對應, 可以用來監測轉動速度。芯片工作溫度從-20~105℃。 封裝形式采用5mmx5mm 的 QFN 28 腳, 底部有散熱片。GC4931F 工作電壓低至 4.7V, GC4931S最低工作電壓在 7V.

管腳描述


內部框圖

圖 1 GC4931F/S 內部框圖
極限參數(一般無其他特殊注明時, T=25℃)

我司是GC4931代理商,可以提供技術支持,歡迎來電索樣。
規格書下載鏈接如下:






