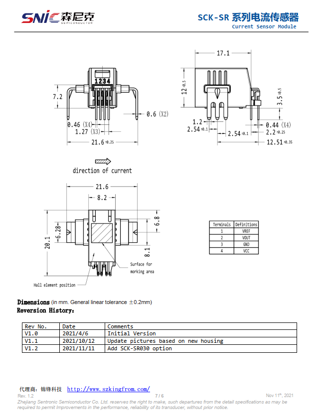
森尼克SCK-SR系列開環電流傳感器型號如下:
SCK-SR020BR,SCK-SR020BF,SCK-SR020UR,SCK-SR020UF,SCK-SR030BR,SCK-SR030BF,SCK-SR030UR,SCK-SR030UF,SCK-SR050BR,SCK-SR050BF,SCK-SR050UR,SCK-SR050UF完全國產替代美國LEM萊姆HLSR-P/SP33系列型號:HLSR 10-P/SP33,HLSR 20-P/SP33,HLSR 32-P/SP33,HLSR 40-P/SP33,HLSR 50-P/SP33;
主要市場應用:光伏、驅動、電源、可再生能源、焊接
SCK-SR Series current sensor module is for the electronic measurement of current:DC, AC, pulsed..., with galvanic separation between the primary and the secondary circuit. This small size, cost-effective product can also provide a variety of output modes.
? Open loop multi-range current transducer
? Voltage output
? Single supply +5 V
? Galvanic separation between primary and secondary
? Low power consumption
? Compact design for through-hole PCB mounting
? Factory calibrated
? High bandwidth, very low loss magnetic core.
? AC variable speed and servo motor drives
? Static converters for DC motor drives
? Battery supplied applications
? Uninterruptible Power Supplies (UPS)
? Switched Mode Power Supplies (SMPS)
? Power supplies for welding applications
? Combiner box
? MPPT






我司是森尼克正式授權代理商,可以提供技術支持,需要技術資料與樣品可以向我司業務人員索取(13923795851孫生-微信同號);






