產品介紹
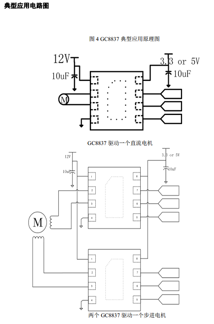
芯片描述GC8837 是一款 12V 直流電機驅動芯片,為攝像機、 消費類產品、 玩具和其他低壓或者電池供電的運動控制類應用提供了集成的電機驅動解決方案。 芯片一般用了驅動一個直流電機或者使用兩顆來驅動步進電機。
GC8837 可以工作在 0~12V 的電源電壓上, 能提供高達 1.5A 持續輸出電流或則 2A峰值電流, 睡眠模式下功耗小于 1uA。
GC8837 具有 PWM( IN/IN) 輸入接口,與行業標準器件兼容, 并具有過溫保護功能。芯片集成了過溫保護, 欠壓保護, 短路保護, 過流保護等功能。
● 攝像機
● 數字單鏡頭反光(DSLR) 鏡頭
● 玩具
● 機器人技術
● 共享單車鎖
● 水表開關
● 醫療設備
● H 橋電機驅動器
-- 負載電源電壓 0~12V
-- 低導通阻抗(HS+LS)400mΩ
● 1.5A 持續驅動輸出電流
● PWM(IN1/IN2)輸入模式
● 兼容 3.3V, 5V 邏輯輸入
● 內置過溫保護
● 內置 H 橋電源短接保護, 短地保護
● 低電流睡眠模式(nA 級, 當 nSleep=0)





我司是GC杭州世芯正式授權代理商,可以提供技術支持,需要技術資料可以向我司業務人員索取(13923795851孫生-微信同號);
更多產品






