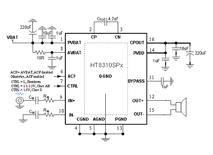
HT8310是一款D類音頻功率放大器,在VBAT=4.2V、THD+N=10%,4Ω負載條件下能連續輸出5.2W功率。該D類功放的電源電壓由內置的自適應電荷泵升壓模塊提供。該升壓模塊在低功率時不升壓,可有效提升電池的播放時間。
HT8310的最大特點是防削頂失真(ACF)輸出控制功能,可檢測并抑制由于輸入音樂、語音信號幅度過大所引起的輸出信號削頂失真(破音),也能自適應地防止在升壓電壓下降所造成的輸出削頂,顯著提高音質,創造非常舒適的聽音享受,并保護揚聲器免受過載損壞。其具有4種不同的ACF模式,可針對不同應用場合。同時芯片還具有ACF-Off 模式。
HT8310具有AB類和D類的自由切換功能,在受到D類功放EMI干擾困擾時,可隨時切換至AB類音頻功放模式(此時電荷泵升壓功能關閉)。
HT8310內部集成免濾波器數字調制技術,能夠直接驅動揚聲器,并最大程度減小脈沖輸出信號的失真和噪音。輸出無需濾波網絡,極少的外部元器件節省了系統空間和成本,是便攜式應用的理想選擇。
此外,HT8310內部固定28dB增益,內置的關斷功能使待機電流最小化,還集成了輸出端過流保護、片內過溫保護和電源欠壓異常保護等功能。
特點
-
4種防削頂失真功能(Anti-Clipping Function, ACF)
-
自適應電荷泵升壓功能
-
內部固定28dB增益
-
輸出功率
5.2W (VBAT=4.2V, RL=4?, THD+N=10%)
4.0W (VBAT=3.7V, RL=4?, THD+N=10%)
3.0W (VBAT=3.3V, RL=4?, THD+N=10%)
-
效率
84% (VBAT=3.7V, RL=4?, 0.4W)
75% (VBAT=3.7V, RL=4?, 2W)
-
電源
-升壓輸入VBAT:2.7V至5.5V
-升壓輸出CPOUT:6.4V
-
靜態工作電流:3mA
-
關斷電流:<1uA
-
AB/D類可切換
-
免濾波器數字調制,直接驅動揚聲器
-
保護功能:過流/過熱/欠壓異常保護功能
-
無鉛封裝, SOP16L-PP, QFN16L-PP
應用
-
智能音響
-
無線音響
-
便攜式音頻設備
-
智能手機






