1.產品描述:
※ 藍牙 V4.0 版本規范;
※ 功率級別 II 級;
※ 超低功耗,微安級工作電流
※ 超低電壓供電,可使用 3V 鈕扣電池
※ 內置 512K 字節可擦除存儲器
※ 多種引出接口:PIO/UART/SPI/AIO/I2C
※ 監視時鐘功能
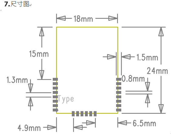
※ 極小的表面貼片封裝:24Χ18Χ2.5mm
※ RoHS 無鉛生產工藝
2.應用領域:
該模塊主要用于短距離的數據無線傳輸領域??梢苑奖愕暮?PC 機的藍牙設備相連, 也可以兩個模塊之間的數據互通。避免繁瑣的線纜連接,能直接替代串口線。
※ 藍牙 GPS
※ 藍牙無線數據傳輸;
※ 工業遙控、遙測;
※ POS 系統,無線鍵盤、鼠標;
※ 井下定位、報警;
※ 自動化數據采集系統;
※ 銀行系統;
※ 無線數據采集;
※ 樓宇自動化、安防、機房設備無線監控、門禁系統;
※ 智能家居、工業控制;
※ 汽車檢測設備;
※ 電視臺的互動節目表決設備;
※ 政府路燈節能設備
※ 無線 LED 顯示屏系統
※ 藍牙操縱桿、藍牙游戲手柄
※ 藍牙打印機
※ 藍牙遙控玩具
※ 防丟器、LED 燈控












