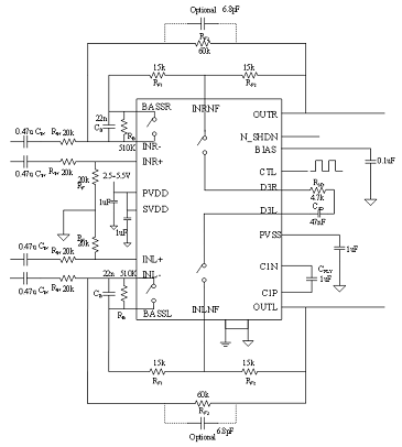
HT97230為差分輸入、可直接輸出的線路驅動器/耳機放大器。5V供電時,器件為1kΩ負載提供3VRMS輸出驅動;3.3V供電時,為600Ω負載提供2VRMS輸出驅動。5V供電時,器件為32Ω耳機負載提供125mW驅動。IC具有6dB內部固定增益,也可利用外部電阻設置增益(目前僅提供外部電阻設置增益版本,其他版本需預定)。IC在整個音頻頻帶內提供優異的THD+N。
HT97230有兩個不同開啟時間(tON)版本,版本A、C和E的導通時間tON為5.5ms,用于耳機驅動;B和D則具有130ms的tON,用于機頂盒設計(目前僅提供A版本,其他版本需預定)。內部電荷泵對輸入電源反相,產生負電源。放大器的輸出級由輸入正電源和電荷泵輸出負電源供電,雙極性供電使得輸出偏置在零電位,省去了大尺寸、容易引入失真的輸出耦合電容。ICSD開關時沒有咔嗒/噼噗聲。
HT97230具有3D環繞模式,能夠在立體聲耳機上創造3D環繞聲的感覺。HT97220還有具有低音增強模式,可依據耳機頻響特性,對某個頻段的低音進行不同程度的提升增強,達到低音增強的效果。
HT97230提供無鉛無鹵QFN24L-PP封裝,提供QFN20L-PP封裝的定制需求。
特點
-
3D環繞可調
-
低音增強可調
-
耳機輸出無需隔直電容,節省空間和成本,并保證完整低音
-
卓越的低頻保真度
-
業界首次消除開關SD的click-pop聲
-
非凡的失真水平,THD+N最低至0.001%
-
出眾的噪聲信噪比,VN: 7uV, SNR:112dB
-
支持全差分輸入和單端輸入
-
輸出能力:125mW (fIN = 1kHz, VDD=5V, RL=32?, THD+N=1%);
3Vrms (fIN = 1kHz, VDD=5V, RL=1k?, THD+N<0.1%);
2Vrms (fIN = 1kHz, VDD=5V, RL=600?, THD+N<0.1%);
-
極度精簡外圍,QFN24L-PP 4mm*4mm封裝
-
應用
-
藍牙耳機
-
智能手機
-
音響,DVD
-
平板/筆記本電腦
-
機頂盒
-
便攜式游戲機
-
-
-






