產品介紹
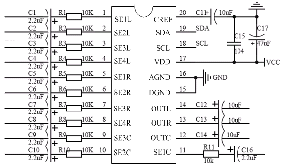
AiP1116是一款專為便攜式音響設計的高性能的2.1聲道電子音量控制電路。它是一個三通道的電子音量控制電路,采用I2C串行控制,可對三個通道的音量分別進行0~-77.5dB、每級1dB衰減范圍進行控制。三個通道的輸入含多路選擇器,輸入增益可進行0/10dB放大。電路含混音功能,可將2.0聲道轉化為2.1聲道。
● 工作電壓:3.0V—9.0V
● 四個立體聲輸入,三個單聲道輸入
● 三通道音量控制
● 靜音
● 混音
● 低功耗、低失真、低噪聲
● I2C數字接口
● 封裝形式:DIP20 / SOP20
該電路可用在桌面音響,便攜音響等各類多媒體音響系統中。
更多產品






