■ Dual-H-Bridge Motor Driver
--- Can Drive Two DC Motors or One
Stepper Motor
--- Low MOSFET ON-Resistance: HS + LS
1200mΩ
■ Output Current (at VM = 5 V, 25°C)
---0.8A RMS, 1.5A Peak per H-Bridge
■ two channels can be used in parallel
--- 1.6A RMS, 3A Peak current
■ Power Supply Voltage Range: 4V~15V
■ PWM Winding Current Regulation and
Current Limiting
■ short to ground protection, short to power
protection
■ Over Temperature protection , under
voltage protection
■ Built in 3.3V LDO without external logic
power supply
■ Standby mode(< 1uA)
--- When AIN1=AIN2=BIN1=BIN2=0
Last for 1.25ms
■ FLAG indication
2. Application area
■ Battery powered toys
■ Robotics
■ POS printer
■ Office Automation Machines
3. Function description
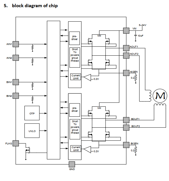
GC8833C is a dual channel, 12V DCmotor drive, continuous current 0.8A, peakcurrent 1.5A, can be used in toys, printers,industrial control and other fields.
The chip can drive a stepper motor or twoDC motors, and can also be used to driveother magnetic loads.
The output H-bridge of the chip integratescurrent limiting function, and each powerMOS transistor is provided with over-currentprotection and short-circuit protection.
The chip has FLAG pin, when thetemperature is too high, the voltage is too low,or the output short circuit, the outputindication signal。
When all logic inputs are low, the powersaving current is less than 1uA
TSSOP16 (5mmx4.4mm) with heat sink










我司是GC杭州世芯正式授權代理商,可以提供技術支持,需要技術資料與樣品可以向我司業務人員索取(13923795851孫生-微信同號);






